Main parameters
Rated vltage 40.5~550 kV
Creepage distance 25~31 mm/kV
Internal pressure breaking load 0.5~6.0 MPa
Features
To ensure mechnical strength and heat stability of ceramic hollow insulator, XHDC adopt higher alumina content i.e high-strength ceramic know-how. On the basis of drawing and standard requestments, the ceramic hollow insulator will be conduct the tests of visual examination, electrical test, pressure test, bending test before left factory.
The post insulators manufacturered by XHDC with good-looking appearance, pure glaze, rational construction, good anti-cold and hot property, good low temperature resistant, good anti-earthquake, high mechanical strength, good anti-pollution characteristic, low radio interference, safe and reliable operation.
Application scope, operating conditions & classification
As per the specific high-voltage apparatus it matchches, XHDC’s ceramic hollow insulators can be divided into instrument transformer bushing, ceramic hollow instrument for surge arresters, transformer bushing, circuit-breaker bushing etc.
Ceramic hollow insulators applies to power frequency a.c. or d.c. rated voltage 40.5~220k power plant electrical apparatus, which is the key fitting acted as supporting and insulating for high-voltage electrical equipment.
Ceramic hollow insulators installation site altitude shall not more than 1,000 meters, some of which shall not more than 4,000 meters. The ambient temperature -40~+40℃.
As per the matched high-voltage electrical equipment, ceramic hollow insulator is divided into pollution class Ⅲ, Ⅳ.
Structural features
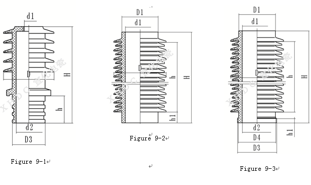
Ceramic insulator part is cemented with top and bottom metal fittings. Brown glazed on ceramic surface which can also be white or grey glazed as per customer’s specific requirement.
Metal fittings adopts cast aluminium alloy or nodular cast iron material. The surface of cast aluminum alloy flange can be anodizing processed, and nodular cast iron flange can be hot-dip galvanized.
Antipollution-type insulator and heavy antipollution-type insulator, where level shed profile and shed with under ribs intermittently arranged after optimization through artificial pollution tests. The shed profile design completely as per the standard IEC60815. As the small size shed is under protection of the large size shed above it, and the spacing between adjacent large size sheds is big, the discharge properties between sheds have been improved, thus improved the antipollution performation of the insulators. Some of the insulators adopted water-stopped design to prevent from rain. The pollution test and long period operation of the insulators have proved that the insulators manufacutred by XHDC can be applied under the environment with salt depoist density of 0.036~0.15 mg/cm2.
Product classification
Ceramic hollow insulators can be divided into instrument transformer bushing (including inverted type), ceramic hollow for surge arresters, transformer bushing and circuit-breaker bushing.



